printf("ho_tari\n");
4일차 본문
2025.07.03






fnd_controller.v
`timescale 1ns / 1ps
module fnd_controller(
input clk,
input [13:0] input_data,
input reset,
output [3:0] an, // 자릿수 선택
output [7:0] seg_data
);
wire [1:0] w_sel;
fnd_digit_select u_fnd_digit_select(
.clk(clk),
.reset(reset),
.sel(w_sel) // 00 01 10 11
);
wire [3:0] w_d1, w_d10, w_d100, w_d1000;
bin2bcd u_bin2bcd(
.in_data(input_data),
.d1(w_d1),
.d10(w_d10),
.d100(w_d100),
.d1000(w_d1000)
);
fnd_display u_fnd_display(
.digit_sel(w_sel),
.d1(w_d1),
.d10(w_d10),
.d100(w_d100),
.d1000(w_d1000),
.an(an),
.seg(seg_data)
);
endmodule
// 1ms마다 fnd를 display하기 위해 digit 1자리씩 선택
// 4ms까지는 잔상효과가 있다 그 이상이면 깜빡임 현상이 발생
module fnd_digit_select(
input clk,
input reset,
output reg [1:0] sel // 00 01 10 11
);
reg [16:0] r_1ms_counter = 0;
reg [1:0] r_digit_sel = 0;
always @(posedge clk or posedge reset) begin
if (reset) begin
r_1ms_counter <= 0;
r_digit_sel <= 0;
sel <= 0;
end else begin
if (r_1ms_counter == 100_000-1) begin // 1ms
r_1ms_counter <= 0;
r_digit_sel <= r_digit_sel + 1;
sel <= r_digit_sel;
end else begin
r_1ms_counter <= r_1ms_counter + 1;
end
end
end
endmodule
// bin2bcd
// 입력 : bin 14bit인 이유 최대 9999까지 표현 값이 들어있기 때문
// 0 ~ 9999
// 출력 : bcd
module bin2bcd (
input [13:0] in_data,
output [3:0] d1,
output [3:0] d10,
output [3:0] d100,
output [3:0] d1000
);
assign d1 = in_data % 10;
assign d10 = (in_data / 10) % 10;
assign d100 = (in_data / 100) % 10;
assign d1000 = (in_data / 1000) % 10;
endmodule
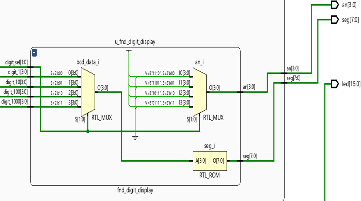
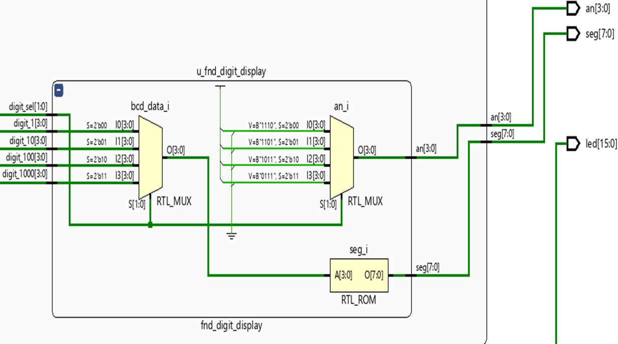
module fnd_display (
input [1:0] digit_sel,
input [3:0] d1,
input [3:0] d10,
input [3:0] d100,
input [3:0] d1000,
output reg [3:0] an,
output reg [7:0] seg
);
reg [3:0] bcd_data;
always @(digit_sel) begin
case (digit_sel)
2'b00: begin bcd_data = d1; an = 4'b1110; end
2'b01: begin bcd_data = d10; an = 4'b1101; end
2'b10: begin bcd_data = d100; an = 4'b1011; end
2'b11: begin bcd_data = d1000; an = 4'b0011; end
default: begin bcd_data = 4'b0000; an = 4'b1111; end
endcase
end
always @(bcd_data) begin
case (bcd_data)
4'd0: seg <= 8'hC0; // 8'b11000000 : 0
4'd1: seg <= 8'hF9; // 8'b11111001 : 1
4'd2: seg <= 8'hA4; // 8'b10100100 : 2
4'd3: seg <= 8'hB0; // 8'b10110000 : 3
4'd4: seg <= 8'h99; // 8'b10011001 : 4
4'd5: seg <= 8'h92; // 8'b10010010 : 5
4'd6: seg <= 8'h82; // 8'b10000010 : 6
4'd7: seg <= 8'hF8; // 8'b11111000 : 7
4'd8: seg <= 8'h80; // 8'b10000000 : 8
4'd9: seg <= 8'h90; // 8'b10010000 : 9
default: seg = 8'hFF; // 8'b11111111 : all off
endcase
end
endmodule
top.v
`timescale 1ns / 1ps
module top(
input clk,
input reset, // btnU
input [2:0] btn,
input [7:0] sw,
output [7:0] seg,
output [3:0] an,
output [15:0] led
);
fnd_controller u_fnd_controller(
.clk(clk),
.input_data(15'd9999),
.reset(reset),
.an(an),
.seg_data(seg)
);
endmodule

'(Telechips) AI 시스템 반도체 SW 개발자 교육 > Verilog HDL' 카테고리의 다른 글
| 8일차 (0) | 2025.07.09 |
|---|---|
| 6일차 (0) | 2025.07.07 |
| 3일차 (0) | 2025.07.02 |
| 2일차 (0) | 2025.07.02 |
| 1일차 (0) | 2025.06.30 |