2025.03.06
오늘의 학습 목표
1. 1 button 처리
2. 생태천이 (FSM)
3. switch~case를 함수 포인터로
4. FND 제어
5. Timer INTERRUPT
processor : CPU
process : 현재 돌고 있는 program을 의미
1 BUTTON LED 제어

<main.c> (switch~case 사용)
#define F_CPU 16000000UL // 16MHZ Unsigned Long
#include <avr/io.h>
#include <util/delay.h> // _delay_ms, _delay_us 헤더파일
#include "button.h"
extern int led_main(void); // 함수가 다른 파일에 들어있으면 extern으로 선언
extern void init_button(void); // 함수가 다른 파일에 들어있으면 extern으로 선언
extern int get_button(int button_num, int button_pin); // 함수가 다른 파일에 들어있으면 extern으로 선언
extern void led_all_on(void);
extern void led_all_off(void);
extern void shift_left_led_on(void);
extern void shift_right_led_on(void);
extern void shift_left_keep_ledon(void);
extern void shift_right_keep_ledon(void);
extern void flower_on(void);
extern void flower_off(void);
// none o/s 방식 또는 loop monitor 방식
int main(void)
{
// led_main();
int button0_state = 0; // 초기 상태를 0으로 출발
// int button1_state = 0;
// int button2_state = 0;
// int button3_state = 0;
void (*fp[]) (void) =
{
led_all_off,
led_all_on,
shift_left_led_on,
shift_right_led_on,
shift_left_keep_ledon,
shift_right_keep_ledon,
flower_on,
flower_off
};
init_button();
//76543210
DDRA = 0b11111111; // PORTA를 출력 모드(1)로 설정
// ---- 상위 nibble : 상위 4bits
// ---- 하위 nibble : 하위 4bits
// DDR(Data Direction Register) : 방향 설정
// 1 : 출력, 0 : 입력을 의미
// 0b : 2진수
// 0x : hex
// DDRA = 0Xff;
// int count = 0;
#if 1 // switch~case 1 BUTTON
while(1)
{
/*
if(get_button(BUTTON0, BUTTON0PIN))
{
button0_state = !button0_state;
count += 1;
switch(count)
{
case 1: led_all_on(); break;
case 2: led_all_off(); break;
case 3: shift_left_led_on(); break;
case 4: shift_right_led_on(); break;
case 5: shift_left_keep_ledon(); break;
case 6: shift_right_keep_ledon(); break;
case 7: flower_on(); break;
case 8: flower_off(); count = 0; break;
}
}
*/
if(get_button(BUTTON0, BUTTON0PIN))
{
button0_state++;
button0_state %= 8;
}
switch(button0_state)
{
case 0: led_all_off(); break;
case 1: led_all_on(); break;
case 2: shift_left_led_on(); break;
case 3: shift_right_led_on(); break;
case 4: shift_left_keep_ledon(); break;
case 5: shift_right_keep_ledon(); break;
case 6: flower_on(); break;
case 7: flower_off(); break;
}
}
#endif
#if 0 // 함수 포인터 배열 1 BUTTON
#endif
#if 0 // org 4 BUTTON
#endif
<실행 결과>
https://youtube.com/shorts/qJqiCgZt7EM
<main.c> (함수 포인터 배열 사용)
#define F_CPU 16000000UL // 16MHZ Unsigned Long
#include <avr/io.h>
#include <util/delay.h> // _delay_ms, _delay_us 헤더파일
#include "button.h"
extern int led_main(void); // 함수가 다른 파일에 들어있으면 extern으로 선언
extern void init_button(void); // 함수가 다른 파일에 들어있으면 extern으로 선언
extern int get_button(int button_num, int button_pin); // 함수가 다른 파일에 들어있으면 extern으로 선언
extern void led_all_on(void);
extern void led_all_off(void);
extern void shift_left_led_on(void);
extern void shift_right_led_on(void);
extern void shift_left_keep_ledon(void);
extern void shift_right_keep_ledon(void);
extern void flower_on(void);
extern void flower_off(void);
// none o/s 방식 또는 loop monitor 방식
int main(void)
{
// led_main();
int button0_state = 0; // 초기 상태를 0으로 출발
// int button1_state = 0;
// int button2_state = 0;
// int button3_state = 0;
void (*fp[]) (void) =
{
led_all_off,
led_all_on,
shift_left_led_on,
shift_right_led_on,
shift_left_keep_ledon,
shift_right_keep_ledon,
flower_on,
flower_off
};
init_button();
//76543210
DDRA = 0b11111111; // PORTA를 출력 모드(1)로 설정
// ---- 상위 nibble : 상위 4bits
// ---- 하위 nibble : 하위 4bits
// DDR(Data Direction Register) : 방향 설정
// 1 : 출력, 0 : 입력을 의미
// 0b : 2진수
// 0x : hex
// DDRA = 0Xff;
// int count = 0;
#if 0 // switch~case 1 BUTTON
#endif
#if 1 // 함수 포인터 배열 1 BUTTON
while(1)
{
if(get_button(BUTTON0, BUTTON0PIN))
{
button0_state++;
button0_state %= 8;
}
fp[button0_state] ();
}
#endif
#if 0 // org 4 BUTTON
#endif
<실행 결과>
https://youtube.com/shorts/ooTQrmFtxFM
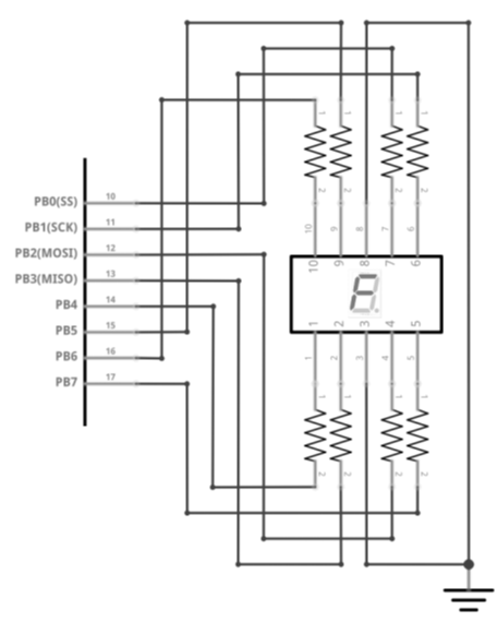
FND (Flexible Number Display) (7 세그먼트 표시장치)
- 8개의 LED를 배치하여 숫자나 문자를 나타낼 수 있도록 만들어진 표시장치
- 각 LED를 흔히 세그먼트라고 일컬음
- 각 LED는 개별적으로 제어됨 (8개의 데이터 핀 필요)
- 자릿수에 따라 다양한 7 세그먼트 표시장치 존재
- 자릿수에 따라 제어 방식에 차이가 있음

- 핀 번호와 세그먼트 이름 사이에 연관성 없음




FND 극성
1. Common Anode
2. Common Cathode
부품 번호 : CL5642AH-33 → Common Cathode
<fnd.h>
/*
* fnd.h
*
* Created: 2025-03-06 오후 12:23:18
* Author: microsoft
*/
#ifndef FND_H_
#define FND_H_
#define F_CPU 16000000UL // 16MHZ Unsigned Long
#include <avr/io.h>
#include <util/delay.h> // _delay_ms, _delay_us 헤더파일
#define FND_DATA_PORT PORTC
#define FND_DATA_DDR DDRC
#define FND_DIGIT_PORT PORTB
#define FND_DIGIT_DDR DDRB
#define FND_DIGIT_D1 4
#define FND_DIGIT_D2 5
#define FND_DIGIT_D3 6
#define FND_DIGIT_D4 7
#endif /* FND_H_ */
<fnd.c>
/*
* fnd.c
*
* Created: 2025-03-06 오후 12:22:24
* Author: microsoft
*/
#include "fnd.h"
void init_fnd(void);
uint32_t ms_count = 0; // ms를 재는 count 변수 unsigned int --> uint32_t
uint32_t sec_count = 0; // 초를 재는 count 변수 unsigned int --> uint32_t
int fnd_main(void);
void fnd_display(void);
int fnd_main(void)
{
init_fnd();
while(1)
{
fnd_display();
_delay_ms(1);
ms_count++;
if(ms_count >= 1000) // 1000ms --> 1s
{
ms_count = 0;
sec_count++;
}
}
return 0;
}
void init_fnd(void)
{
FND_DATA_DDR = 0xff; // 출력 모드로 설정
// FND_DIGIT_DDR |= 0xf0; // 자릿수 선택 7654
FND_DIGIT_DDR |= 1 << FND_DIGIT_D1 | 1 << FND_DIGIT_D2 | 1 << FND_DIGIT_D3 | 1 << FND_DIGIT_D4;
// fnd를 all off
#if 1 // common cathode 방식
FND_DATA_PORT = 0x00; // fnd를 all off
#else // common anode 방식
FND_DATA_PORT = ~0x00; // fnd를 all off 0xff;
#endif
}
void fnd_display(void)
{
#if 1 // common cathode 방식
// 0 1 2 3 4 5 6 7 8 9 .
uint8_t fnd_font[] = {~0xc0, ~0xf9, ~0xa4, ~0xb0, ~0x99, ~0x92, ~0x82, ~0xd8, ~0x80, ~0x90, ~0x7f};
#else // common anode 방식
// 0 1 2 3 4 5 6 7 8 9 .
uint8_t fnd_font[] = {0xc0, 0xf9, 0xa4, 0xb0, 0x99, 0x92, 0x82, 0xd8, 0x80, 0x90, 0x7f};
#endif
static int digit_select = 0; // static을 쓰면 전역 변수처럼 함수가 빠져 나갔다가 다시 들어오더라도 값을 유지
switch(digit_select)
{
case 0:
#if 1 // common cathode
FND_DIGIT_PORT = ~(1 << FND_DIGIT_D4); // 01111111 FND_FIGIT_PORT = ~0x80
#else // common anode
FND_DIGIT_PORT = 1 << FND_DIGIT_D4; // 10000000 FND_FIGIT_PORT = 0x80
#endif
FND_DATA_PORT = fnd_font[sec_count % 10]; // 0~9초
break;
case 1:
#if 1 // common cathode
FND_DIGIT_PORT = ~(1 << FND_DIGIT_D3); // 01111111 FND_FIGIT_PORT = ~0x40
#else // common anode
FND_DIGIT_PORT = 1 << FND_DIGIT_D3; // 10000000 FND_FIGIT_PORT = 0x40
#endif
FND_DATA_PORT = fnd_font[sec_count / 10 % 6]; // 10단위초
break;
case 2:
#if 1 // common cathode
FND_DIGIT_PORT = ~(1 << FND_DIGIT_D2); // 01111111 FND_FIGIT_PORT = ~0x20
#else // common anode
FND_DIGIT_PORT = 1 << FND_DIGIT_D2; // 10000000 FND_FIGIT_PORT = 0x20
#endif
FND_DATA_PORT = fnd_font[sec_count / 60 % 10]; // 1단위 분
break;
case 3:
#if 1 // common cathode
FND_DIGIT_PORT = ~(1 << FND_DIGIT_D1); // 01111111 FND_FIGIT_PORT = ~0x10
#else // common anode
FND_DIGIT_PORT = 1 << FND_DIGIT_D1; // 10000000 FND_FIGIT_PORT = 0x10
#endif
FND_DATA_PORT = fnd_font[sec_count / 600 % 6]; // 10단위 분
break;
}
digit_select++;
digit_select %= 4; // 다음 표시할 자릿수 선택
}
<main.c>
/*
* 01.LED_CONTROL.c
*
* Created: 2025-03-04 오후 4:25:29
* Author : microsoft
*/
#define F_CPU 16000000UL // 16MHZ Unsigned Long
#include <avr/io.h>
#include <util/delay.h> // _delay_ms, _delay_us 헤더파일
#include "button.h"
extern int led_main(void); // 함수가 다른 파일에 들어있으면 extern으로 선언
extern void init_button(void); // 함수가 다른 파일에 들어있으면 extern으로 선언
extern int get_button(int button_num, int button_pin); // 함수가 다른 파일에 들어있으면 extern으로 선언
extern void led_all_on(void);
extern void led_all_off(void);
extern void shift_left_led_on(void);
extern void shift_right_led_on(void);
extern void shift_left_keep_ledon(void);
extern void shift_right_keep_ledon(void);
extern void flower_on(void);
extern void flower_off(void);
// none o/s 방식 또는 loop monitor 방식
int main(void)
{
fnd_main();
// led_main();
int button0_state = 0; // 초기 상태를 0으로 출발
// int button1_state = 0;
// int button2_state = 0;
// int button3_state = 0;
void (*fp[]) (void) =
{
led_all_off,
led_all_on,
shift_left_led_on,
shift_right_led_on,
shift_left_keep_ledon,
shift_right_keep_ledon,
flower_on,
flower_off
};
// init_button();
//76543210
DDRA = 0b11111111; // PORTA를 출력 모드(1)로 설정
// ---- 상위 nibble : 상위 4bits
// ---- 하위 nibble : 하위 4bits
// DDR(Data Direction Register) : 방향 설정
// 1 : 출력, 0 : 입력을 의미
// 0b : 2진수
// 0x : hex
// DDRA = 0Xff;
// int count = 0;
#if 0 // switch~case 1 BUTTON
while(1)
{
/*
if(get_button(BUTTON0, BUTTON0PIN))
{
button0_state = !button0_state;
count += 1;
switch(count)
{
case 1: led_all_on(); break;
case 2: led_all_off(); break;
case 3: shift_left_led_on(); break;
case 4: shift_right_led_on(); break;
case 5: shift_left_keep_ledon(); break;
case 6: shift_right_keep_ledon(); break;
case 7: flower_on(); break;
case 8: flower_off(); count = 0; break;
}
}
*/
if(get_button(BUTTON0, BUTTON0PIN))
{
button0_state++;
button0_state %= 8;
}
switch(button0_state)
{
case 0: led_all_off(); break;
case 1: led_all_on(); break;
case 2: shift_left_led_on(); break;
case 3: shift_right_led_on(); break;
case 4: shift_left_keep_ledon(); break;
case 5: shift_right_keep_ledon(); break;
case 6: flower_on(); break;
case 7: flower_off(); break;
}
}
#endif
#if 1 // 함수 포인터 배열 1 BUTTON
while(1)
{
if(get_button(BUTTON0, BUTTON0PIN))
{
button0_state++;
button0_state %= 8;
}
fp[button0_state] ();
}
#endif
#if 0 // org 4 BUTTON
while (1) // for(;;)
{
// 1 button 처리 (toggle)
// button0를 1번 누르면 led_all_on
// 1번 다시 누르면 led_all_off
if (get_button(BUTTON0, BUTTON0PIN))
{
button0_state = !button0_state; // 반전 0 <--> 1
if(button0_state)
{
led_all_on();
}
else
{
led_all_off();
}
}
if (get_button(BUTTON1, BUTTON1PIN))
{
button1_state = !button1_state; // 반전 0 <--> 1
if(button1_state)
{
shift_left_led_on();
}
else
{
shift_right_led_on();
}
}
if (get_button(BUTTON2, BUTTON2PIN))
{
button2_state = !button2_state; // 반전 0 <--> 1
if(button2_state)
{
shift_left_keep_ledon();
}
else
{
shift_right_keep_ledon();
}
}
if (get_button(BUTTON3, BUTTON3PIN))
{
button3_state = !button3_state; // 반전 0 <--> 1
if(button3_state)
{
flower_on();
}
else
{
flower_off();
}
}
}
#endif
}
<실행 결과>
https://youtube.com/shorts/sUrGC9mSCYI
FND dp 1초마다 깜빡임
<fnd.c>
/*
* fnd.c
*
* Created: 2025-03-06 오후 12:22:24
* Author: microsoft
*/
#include "fnd.h"
void init_fnd(void);
uint32_t ms_count = 0; // ms를 재는 count 변수 unsigned int --> uint32_t
uint32_t sec_count = 0; // 초를 재는 count 변수 unsigned int --> uint32_t
uint32_t dp_count = 0;
int fnd_main(void);
void fnd_display(void);
int fnd_main(void)
{
init_fnd();
while(1)
{
fnd_display();
_delay_ms(1);
ms_count++;
if(ms_count >= 1000) // 1000ms --> 1s
{
ms_count = 0;
dp_count = !dp_count;
sec_count++;
}
}
return 0;
}
void init_fnd(void)
{
FND_DATA_DDR = 0xff; // 출력 모드로 설정
// FND_DIGIT_DDR |= 0xf0; // 자릿수 선택 7654
FND_DIGIT_DDR |= 1 << FND_DIGIT_D1 | 1 << FND_DIGIT_D2 | 1 << FND_DIGIT_D3 | 1 << FND_DIGIT_D4;
// fnd를 all off
#if 1 // common cathode 방식
FND_DATA_PORT = 0x00; // fnd를 all off
#else // common anode 방식
FND_DATA_PORT = ~0x00; // fnd를 all off 0xff;
#endif
}
void fnd_display(void)
{
#if 1 // common cathode 방식
// 0 1 2 3 4 5 6 7 8 9 .
uint8_t fnd_font[] = {~0xc0, ~0xf9, ~0xa4, ~0xb0, ~0x99, ~0x92, ~0x82, ~0xd8, ~0x80, ~0x90, ~0x7f};
#else // common anode 방식
// 0 1 2 3 4 5 6 7 8 9 .
uint8_t fnd_font[] = {0xc0, 0xf9, 0xa4, 0xb0, 0x99, 0x92, 0x82, 0xd8, 0x80, 0x90, 0x7f};
#endif
static int digit_select = 0; // static을 쓰면 전역 변수처럼 함수가 빠져 나갔다가 다시 들어오더라도 값을 유지
switch(digit_select)
{
case 0:
#if 1 // common cathode
FND_DIGIT_PORT = ~(1 << FND_DIGIT_D4); // 01111111 FND_FIGIT_PORT = ~0x80
#else // common anode
FND_DIGIT_PORT = 1 << FND_DIGIT_D4; // 10000000 FND_FIGIT_PORT = 0x80
#endif
FND_DATA_PORT = fnd_font[sec_count % 10]; // 0~9초
break;
case 1:
#if 1 // common cathode
FND_DIGIT_PORT = ~(1 << FND_DIGIT_D3); // FND_FIGIT_PORT = ~0x40
#else // common anode
FND_DIGIT_PORT = 1 << FND_DIGIT_D3; // FND_FIGIT_PORT = 0x40
#endif
FND_DATA_PORT = fnd_font[sec_count / 10 % 6]; // 10단위초
if(dp_count)
FND_DATA_PORT |= fnd_font[10];
else
FND_DATA_PORT = fnd_font[sec_count / 10 % 6];
break;
case 2:
#if 1 // common cathode
FND_DIGIT_PORT = ~(1 << FND_DIGIT_D2); // FND_FIGIT_PORT = ~0x20
#else // common anode
FND_DIGIT_PORT = 1 << FND_DIGIT_D2; // FND_FIGIT_PORT = 0x20
#endif
FND_DATA_PORT = fnd_font[sec_count / 60 % 10]; // 1단위 분
break;
case 3:
#if 1 // common cathode
FND_DIGIT_PORT = ~(1 << FND_DIGIT_D1); // FND_FIGIT_PORT = ~0x10
#else // common anode
FND_DIGIT_PORT = 1 << FND_DIGIT_D1; // FND_FIGIT_PORT = 0x10
#endif
FND_DATA_PORT = fnd_font[sec_count / 600 % 6]; // 10단위 분
break;
}
digit_select++;
digit_select %= 4; // 다음 표시할 자릿수 선택
}
<실행 결과>
https://youtube.com/shorts/hQq_IM9UGns


Common Anode 방식 기준 (Common Cathode 방식은 ~적용)
0. 초기
1. ㅡ
10분 1111_1111 0xff
1분 1111_1110 0xfe
2. ㅡ ㅡ
10분 1111_1110 0xfe
1분 1111_1110 0xfe
3.ㅣㅡ ㅡ
10분 1101_1110 0xde
1분 1111_1110 0xfe
4. ㅣㅡ ㅡ
ㅣ
10분 1100_1110 0xce
1분 1111_1110 0xfe
5. ㅣㅡㅡ
ㅣㅡ
10분 1100_0110 0xc6
1분 1111_1110 0xfe
6. ㅣㅡㅡ
ㅣㅡㅡ
10분 1100_0110 0xc6
1분 1111_0110 0xf6
7. ㅣㅡㅡ
ㅣㅡㅡㅣ
10분 1100_0110 0xc6
1분 1111_0010 0xf2
8. ㅣㅡㅡㅣ
ㅣㅡㅡㅣ
10분 1100_0110 0xc6
1분 1111_0000 0xf0
<fnd.c>
/*
* fnd.c
*
* Created: 2025-03-06 오후 12:22:24
* Author: microsoft
*/
#include "fnd.h"
#include "button.h"
void init_fnd(void);
extern void init_button(void);
extern int get_button(int button_num, int button_pin);
uint32_t ms_count = 0; // ms를 재는 count 변수 unsigned int --> uint32_t
uint32_t sec_count = 0; // 초를 재는 count 변수 unsigned int --> uint32_t
uint32_t dp_count = 0;
int button0_state = 0;
int button1_state = 0;
int fnd_main(void);
void fnd_display(void);
void circle(void);
int fnd_main(void)
{
init_fnd();
init_button();
while(1)
{
if (get_button(BUTTON0, BUTTON0PIN))
{
button0_state = !button0_state;
}
if (get_button(BUTTON1, BUTTON1PIN))
{
button1_state = !button1_state;
if(button1_state)
{
sec_count = 0;
button1_state = 0;
}
}
fnd_display();
_delay_ms(1);
ms_count++;
if(ms_count >= 1000) // 1000ms --> 1s
{
ms_count = 0;
dp_count = !dp_count;
sec_count++;
}
}
return 0;
}
void init_fnd(void)
{
FND_DATA_DDR = 0xff; // 출력 모드로 설정
// FND_DIGIT_DDR |= 0xf0; // 자릿수 선택 7654
FND_DIGIT_DDR |= 1 << FND_DIGIT_D1 | 1 << FND_DIGIT_D2 | 1 << FND_DIGIT_D3 | 1 << FND_DIGIT_D4;
// fnd를 all off
#if 1 // common cathode 방식
FND_DATA_PORT = 0x00; // fnd를 all off
#else // common anode 방식
FND_DATA_PORT = ~0x00; // fnd를 all off 0xff;
#endif
}
void fnd_display(void)
{
#if 1 // common cathode 방식
// 0 1 2 3 4 5 6 7 8 9 .
uint8_t fnd_font[] = {~0xc0, ~0xf9, ~0xa4, ~0xb0, ~0x99, ~0x92, ~0x82, ~0xd8, ~0x80, ~0x90, ~0x7f};
static uint8_t fnd_font10[] = {~0xff, ~0xff, ~0xfe, ~0xde, ~0xce, ~0xc6, ~0xc6, ~0xc6, ~0xc6};
static uint8_t fnd_font1[] = {~0xff, ~0xfe, ~0xfe, ~0xfe, ~0xfe, ~0xfe, ~0xf6, ~0xf2, ~0xf0};
#else // common anode 방식
// 0 1 2 3 4 5 6 7 8 9 .
uint8_t fnd_font[] = {0xc0, 0xf9, 0xa4, 0xb0, 0x99, 0x92, 0x82, 0xd8, 0x80, 0x90, 0x7f};
#endif
static int digit_select = 0; // static을 쓰면 전역 변수처럼 함수가 빠져 나갔다가 다시 들어오더라도 값을 유지
switch(digit_select)
{
case 0:
#if 1 // common cathode
FND_DIGIT_PORT = ~(1 << FND_DIGIT_D4); // 01111111 FND_FIGIT_PORT = ~0x80
#else // common anode
FND_DIGIT_PORT = 1 << FND_DIGIT_D4; // 10000000 FND_FIGIT_PORT = 0x80
#endif
FND_DATA_PORT = fnd_font[sec_count % 10]; // 0~9초
break;
case 1:
#if 1 // common cathode
FND_DIGIT_PORT = ~(1 << FND_DIGIT_D3); // FND_FIGIT_PORT = ~0x40
#else // common anode
FND_DIGIT_PORT = 1 << FND_DIGIT_D3; // FND_FIGIT_PORT = 0x40
#endif
FND_DATA_PORT = fnd_font[sec_count / 10 % 6]; // 10단위초
if(dp_count)
FND_DATA_PORT |= fnd_font[10];
else
FND_DATA_PORT = fnd_font[sec_count / 10 % 6];
break;
case 2:
#if 1 // common cathode
FND_DIGIT_PORT = ~(1 << FND_DIGIT_D2); // FND_FIGIT_PORT = ~0x20
#else // common anode
FND_DIGIT_PORT = 1 << FND_DIGIT_D2; // FND_FIGIT_PORT = 0x20
#endif
if(button0_state)
FND_DATA_PORT = fnd_font1[sec_count % 9];
else
FND_DATA_PORT = fnd_font[sec_count / 60 % 10]; // 1단위 분
break;
case 3:
#if 1 // common cathode
FND_DIGIT_PORT = ~(1 << FND_DIGIT_D1); // FND_FIGIT_PORT = ~0x10
#else // common anode
FND_DIGIT_PORT = 1 << FND_DIGIT_D1; // FND_FIGIT_PORT = 0x10
#endif
if(button0_state)
FND_DATA_PORT = fnd_font10[sec_count % 9];
else
FND_DATA_PORT = fnd_font[sec_count / 600 % 6]; // 10단위 분
break;
}
digit_select++;
digit_select %= 4; // 다음 표시할 자릿수 선택
}
<실행 결과>
https://youtube.com/shorts/v6ayosStPjI